Přitahuje širokou pozornost čínských a zahraničních obchodníků Na začátku zimy se živ...
dozvědět se vícepopsat
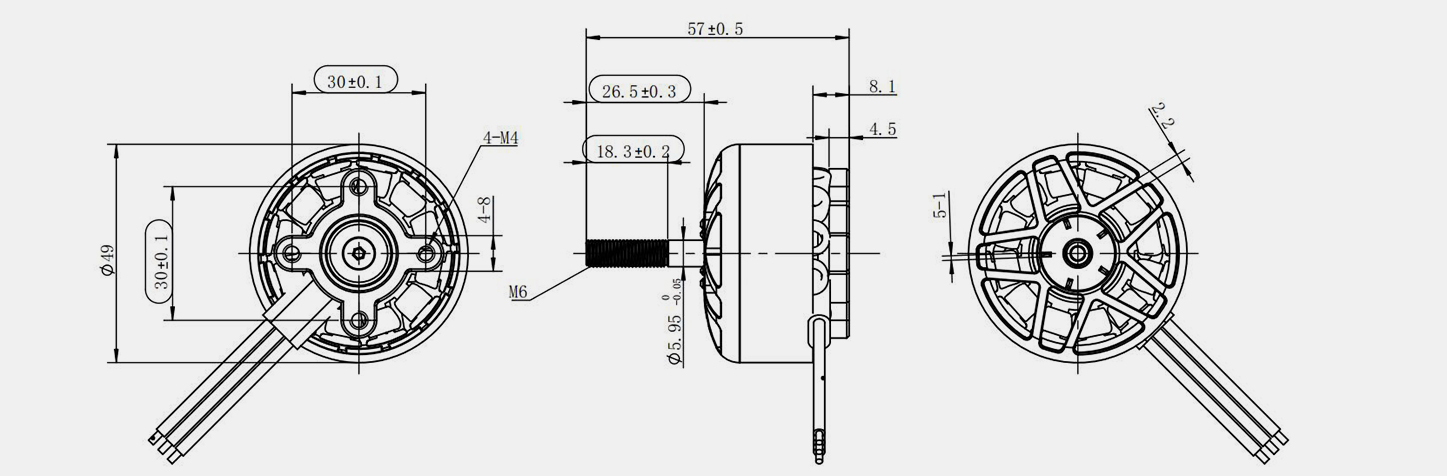
LN4214 380KV 6-85 UAV Brushless Motor je vysoce výkonný motor navržený speciálně pro 13palcové závodní drony. S využitím technologie bezkomutátorových motorů nabízí účinnost, stabilitu a spolehlivost, umožňuje dlouhodobý provoz při velkém zatížení a splňuje požadavky na výkon profesionálních závodních dronů.
Vysoká účinnost: Technologie bezkomutátorového motoru snižuje mechanické tření a zvyšuje účinnost.
Silná stabilita: Rychlost 380 kV a vysoký točivý moment zajišťují vynikající stabilitu během závodění.
Odolnost: Optimalizovaná konstrukce umožňuje motoru vydržet dlouhodobý provoz při vysokém zatížení, vhodný pro intenzivní letové podmínky.
Silná kompatibilita: Navrženo pro 13palcové drony, nabízí přesné ovládání výkonu pro vynikající letový výkon.
LN4214 380KV 6-85 UAV Brushless Motor je široce používán v závodních dronech, zejména těch s 13palcovým rámem. Je ideální pro závody dronů s vysokou intenzitou. Díky vysoké účinnosti a vysokému výkonu poskytuje rychlou odezvu a přesné ovládání, zajišťuje stabilitu a rychlost letu.
Retek
rozsah
požádat
| Elektrické Spec. | |||||||||||||||||||||||||||
| Max. P (W) | Napětí (V) | Max. já A) | KV | Proud naprázdno (A) | Odpor (mΩ) | Poláci | Rozměr motoru (mm) | Stator Dim. (mm) | Montáž (mm) | N.W. (g) | Prop. (palec) | ||||||||||||||||
| 2121 | 24 | 34 | 380 | 1.5 | 576 | 14 | φ49*32,5 | φ42*14 | M4-30*30 | 235 | 13"~15" | ||||||||||||||||
| Data testování tahu | |||||||||||||||||||||||||||
| Vrtule | Hodnota KV | Plyn (%) | Napětí (V) | Aktuální (A) | Rychlost (RPM) | Tažná síla (kg) | Točivý moment (N.M) | Vstupní výkon (W) | Účinnost (G/W) | ||||||||||||||||||
| GEMFAN 1308*3 | 380 kV | 10 % | 24 | 0.184 | 859 | 0.0279 | 0.010 | 4.4 | 6.309 | ||||||||||||||||||
| 20 % | 23.99 | 0.623 | 1788 | 0.1207 | 0.031 | 14.9 | 8.082 | ||||||||||||||||||||
| 30 % | 23.99 | 1.437 | 2708 | 0.2961 | 0.072 | 34.5 | 8.600 | ||||||||||||||||||||
| 40 % | 23.98 | 2.588 | 3536 | 0.5128 | 0.116 | 62 | 8.278 | ||||||||||||||||||||
| 50 % | 23.96 | 4.434 | 4393 | 0.7981 | 0.179 | 106.2 | 7.525 | ||||||||||||||||||||
| 60 % | 23.94 | 7.498 | 5286 | 1.1673 | 0.258 | 179.5 | 6.508 | ||||||||||||||||||||
| 70 % | 23.92 | 11.142 | 6106 | 1.5620 | 0.344 | 266.5 | 5.864 | ||||||||||||||||||||
| 80 % | 23.89 | 15.405 | 6835 | 1.9759 | 0.433 | 368 | 5.370 | ||||||||||||||||||||
| 90 % | 23.85 | 20.898 | 7573 | 2.4480 | 0.534 | 498.5 | 4.911 | ||||||||||||||||||||
| 100 % | 23.81 | 26.668 | 8213 | 2.8856 | 0.630 | 635.1 | 4.544 | ||||||||||||||||||||
| GEMFAN 1310*3 | 380 kV | 10 % | 24.01 | 0.18 | 847 | 0.0239 | 0.014 | 4.3 | 5.539 | ||||||||||||||||||
| 20 % | 24 | 0.708 | 1781 | 0.1251 | 0.042 | 17 | 7.367 | ||||||||||||||||||||
| 30 % | 23.99 | 1.668 | 2664 | 0.3160 | 0.093 | 40 | 7.900 | ||||||||||||||||||||
| 40 % | 23.98 | 3.104 | 3458 | 0.5413 | 0.152 | 74.4 | 7.278 | ||||||||||||||||||||
| 50 % | 23.96 | 5.481 | 4293 | 0.8513 | 0.2310 | 131.3 | 6.490 | ||||||||||||||||||||
| 60 % | 23.99 | 9.362 | 5159 | 1.2510 | 330 | 224.1 | 5.585 | ||||||||||||||||||||
| 70 % | 23.98 | 13.856 | 5924 | 1.6492 | 0.437 | 331.3 | 4.979 | ||||||||||||||||||||
| 80 % | 23.95 | 19.353 | 6644 | 2.1044 | 0.549 | 462 | 4.555 | ||||||||||||||||||||
| 90 % | 23.93 | 25.502 | 7287 | 2.5593 | 0.666 | 607.8 | 4.211 | ||||||||||||||||||||
| 100 % | 23.88 | 32.034 | 7869 | 2.9946 | 0.768 | 762.1 | 3.929 | ||||||||||||||||||||
| GEMFAN 1310*3 | 640 kV | 10 % | 24.81 | 0.409 | 1336 | 0.0768 | 0.0299 | 9.8000 | 7.8180 | ||||||||||||||||||
| 20 % | 23.73 | 1.865 | 2708 | 0.3374 | 0.1001 | 44.7000 | 7.5440 | ||||||||||||||||||||
| 30 % | 23.63 | 4.803 | 3946 | 0.7408 | 0.2051 | 115.0000 | 6.4420 | ||||||||||||||||||||
| 40 % | 23.53 | 9.285 | 5007 | 1.2049 | 0.3214 | 222.2000 | 5.4240 | ||||||||||||||||||||
| 50 % | 23.42 | 17.318 | 6131 | 1.8117 | 0.4789 | 413.5000 | 4.3840 | ||||||||||||||||||||
| 60 % | 23.5 | 28.207 | 7158 | 2.4977 | 0.6519 | 671.5000 | 3.7200 | ||||||||||||||||||||
| 70 % | 23.62 | 40.854 | 8027 | 3.1604 | 0.8238 | 969.3000 | 3.2610 | ||||||||||||||||||||
| 80 % | 23.67 | 58.755 | 8840 | 3.8649 | 1.0092 | 1388.3000 | 2.7840 | ||||||||||||||||||||
| 90 % | 23. | 73.77 | 9411 | 4.3715 | 1.1529 | 1736.0000 | 2.5180 | ||||||||||||||||||||
| 100 % | 23.7 | 90.573 | 9878 | 4.8917 | 1.2935 | 2121.3000 | 2.3060 | ||||||||||||||||||||
Zadejte prosím své informace.
Ať už se chcete stát naším partnerem, nebo potřebujete naše odborné poradenství či podporu při výběru produktů a řešení problémů, náš tým odborníků je připraven vám pomoci po celém světě do 12 hodin!
Přitahuje širokou pozornost čínských a zahraničních obchodníků Na začátku zimy se živ...
dozvědět se víceVelmi očekávaná mezinárodní výstava Guangzhou International Low-Altitude Economy Expo 2025 bude s...
dozvědět se víceVýkonnostní obálka bezpilotních vzdušných prostředků (UAV) je přesně definována jejich pohonnými ...
dozvědět se víceNedávno naši společnost navštívila delegace klíčových evropských klientů za účelem jednodenní hlo...
dozvědět se vícePochopení toho, co a Bezjádrový DC motor Opravdu nabízí Proč inženýři přecházejí na Cor...
dozvědět se víceNaše dronové motory debutují na vojensko-civilním Expo v Shenzhenu s obrov...
dozvědět se více